PC TN 2021
Valvola a pinza normalmente aperta in posizione di riposo, la chiusura avviene mediante immissione di aria compressa nel cilindro pneumatico.
La valvola è dotata di un indicatore visivo che segnala la posizione di apertura – chiusura del manicotto sull’attuatore.
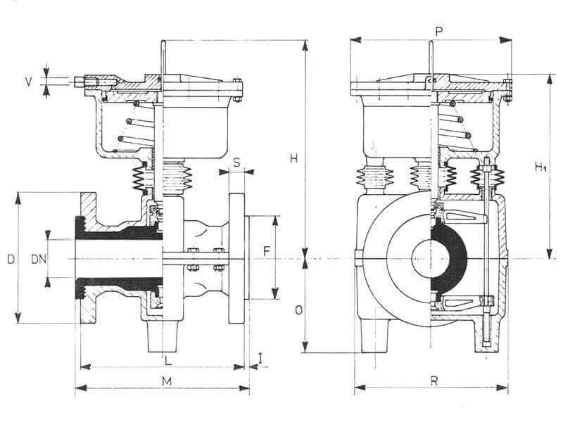
Diametri di costruzione = DN 10 mm al DN 200 mm.
Caratteristiche e dimensioni
Apertura e chiusura mediante immissione di aria compressa nel cilindro pneumatico.
Cilindro e pistone: in lega di alluminio.
Corpo: normalmente in alluminio.
Caratteristiche costruttive: come per i tipi “SD” (TN 2014) e “SC” (TN 2015).


